Elektronický náklad

Motor zadného náboja P-Type R500

Motor zadného náboja bicykla P-Type R500 E-Cargo Bike navrhnutý špeciálne pre aplikácie Cargo sa môže pochváliť menovitým výkonom 500 W, ktorý poskytuje silný a stabilný výkon pre ťažké nakladanie a prepravu na dlhé vzdialenosti. Zaisťuje efektívny a stabilný výkon v zložitých mestských podmienkach, na svahoch alebo pri plnom naložení, čím výrazne zvyšuje efektivitu nákladu. Okrem toho znižuje spotrebu energie na rovnom teréne a pri vyšších rýchlostiach, čím zlepšuje celkovú efektivitu jazdy na bicykli.

Kľúčový parameter
Konštrukcia motora: Menovité napätie (V): Menovitý výkon (W):
Motor náboja zadného pohonu 36-48 350-500
Špičkový krútiaci moment (N.m.): Hmotnosť (KG): STARÝ (mm):
50 3.85 160
podrobné informácie
  • Motor zadného náboja P-Type R500
  • Motor zadného náboja P-Type R500
Ningbo Yinzhou HENTACH Electromechanical Co., Ltd. Product Parameters Ningbo Yinzhou HENTACH Electromechanical Co., Ltd. Drawing Ningbo Yinzhou HENTACH Electromechanical Co., Ltd. Contact Us

Základné údaje

Menovitý výkon 350-500
Menovité napätie 36-48
Priemer kolesa 20-26
Rozsah rýchlosti 25-35
Maximálny krútiaci moment 50
Prevodový pomer 5
Hmotnosť (KG) 3.85

Parametre inštalácie

Brzda Kotúčová brzda
Kazeta snímača krútiaceho momentu Nie
Trasa kabeláže Stredná ľavá náprava
Špica diera 2-18-Ф3.2
Hodnotenie vodotesnosti IP54 (až do IP65)
Zotrvačník/ozubené koleso Rotačná 7-rýchlostná
Certifikáty TUV/EN15194/RoHS

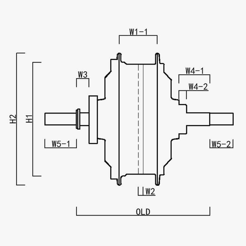
H1/ OD: 136.5
H2/Vonkajší priemer motora: 158.5
W1(-1/-2): 45.5
W2: 6
W3: 15
W4(-1/-2): 37/9
W5(-1/-2): 38/28
STARÝ: 160
Dĺžka nápravy: 226
Ningbo Yinzhou HENTACH Electromechanical Co., Ltd.
kontaktujte nás
  • Odoslať a odoslať
Ningbo Yinzhou HENTACH Electromechanical Co., Ltd.
ČO NÁS ODLIŠUJE
  • Výkonný nábojový motor so zadným náhonom navrhnutý špeciálne pre elektrické bicykle s tukovým plášťom, so 7-rýchlostným rotačným zotrvačníkom, 160 mm otvorom prevodu a menovitým výkonom až 500 W.

  • Patentovaný prevod z plastovej ocele: 5-krát väčší krútiaci moment ako nylonové prevody; životnosť viac ako 40 000 kilometrov; nižší popredaj

  • Krútiaci moment viac ako 50NM, navrhnutý špeciálne pre eCargo.

KTO SME Viac ako 20 rokov výrobných skúseností.

Ningbo Yinzhou HENTACH Electromechanical Co., Ltd. (predtým Hengtai Motor) Spoločnosť bola založená v roku 1995 a predtým známa ako „Hengtai Motor“ (čínsky názov našej spoločnosti), v roku 2020 sme oficiálne prijali anglický názov „HENTACH Motor“. Obidve názvy predstavujú toho istého dôveryhodného výrobcu, ktorý sa už viac ako 30 rokov venuje elektromechanickým inováciám. Špecializujeme sa na odlievanie a presné spracovanie miniatúrnych jednosmerných motorov, elektrických/motocyklových nábojových motorov a zliatin hliníka a horčíka pre elektrické vozidlá, kombinujeme prísny systém kontroly kvality ISO 9001, vyspelé postupy riadenia a špičkové výrobné/testovacie zariadenia, aby sme mohli poskytovať spoľahlivé riešenia.

Vďaka komplexným možnostiam od odlievania surovín až po dodanie finálneho produktu slúžime rôznym trhom vrátane elektrobicyklov, nákladných vozidiel, AGV, golfových vozidiel, poľnohospodárskych strojov a elektrokartingu. Náš kampus s rozlohou viac ako 9 000 m² (zastavaná plocha 5 000 m²) obsahuje viac ako 60 jednotiek moderného výrobného zariadenia vrátane 500-tonových tlakových liatin, presných CNC obrábacích strojov, laserových značkovacích systémov, mikrooblúkových oxidačných liniek a dvoch špecializovaných testovacích stolíc pre motory elektrických vozidiel. Táto infraštruktúra zabezpečuje efektívnu výrobu a prísne dodržiavanie medzinárodných noriem kvality.

V HENTACH (Hengtai) uprednostňujeme vysokokvalitné materiály a patentovanú technológiu – náš patentovaný prevod z nylonovej ocele je dôkazom našej inžinierskej dokonalosti. Na overenie životnosti sme raz spustili program záruky na najazdené kilometre pre motory presahujúce 30 000 míľ. Výsledok? Viac ako 50 motorov nielen splnilo tento štandard, ale ho aj prekonalo, pričom niektoré dosiahli pôsobivých 50 000 míľ. Tento skutočný výkon odráža naše neochvejné zameranie na spoľahlivosť a motivuje nás k neustálym inováciám pre inteligentnejšie a silnejšie riešenia motorov.​
Dôverujte značke, ktorá je celosvetovo známa ako Hengtai Motor a HENTACH Motor – kde sa patentovaná inovácia oceľových prevodov stretáva s overenou odolnosťou.

Certifikovaný Certifikácie