e-tuk/e-cargo

Motor zadného náboja S-Type Pro RF

Motor zadného náboja S-Type Pro RF (voľnobežka) je určený pre bicykle E-Cargo a E-Fat a ponúka menovitý výkon od 750W do 1500W. Je vybavený 7-rýchlostnou voľnobežkou, 175 mm spádom a maximálnym krútiacim momentom nad 145 Nm. Tento motor poskytuje silnú trakciu v podmienkach nízkej rýchlosti, zaisťuje stabilnú schopnosť stúpania na strmých svahoch a mäkkom piesku a efektívne rieši energetické nedostatky v podmienkach vysokého zaťaženia. Vybavený patentovanými plastovo-oceľovými prevodmi HENTACH, ponúka 5-krát väčšiu kapacitu krútiaceho momentu ako tradičné nylonové prevody, pričom vydrží viac ako 40 000 km a výrazne znižuje náklady na údržbu. V aplikáciách na e-bicykloch nad 1000 W dokážu iba prevody z plastov a ocele Hengtai vydržať nepretržitý krútiaci moment nad 100 Nm.

Kľúčový parameter
Konštrukcia motora: Menovité napätie (V): Menovitý výkon (W):
/ 36-60 600-1500
Špičkový krútiaci moment (N.m.): Hmotnosť (KG): STARÝ (mm):
145 5.8 175
podrobné informácie
  • Motor zadného náboja S-Type Pro RF
  • Motor zadného náboja S-Type Pro RF
Ningbo Yinzhou HENTACH Electromechanical Co., Ltd. Product Parameters Ningbo Yinzhou HENTACH Electromechanical Co., Ltd. Drawing Ningbo Yinzhou HENTACH Electromechanical Co., Ltd. Contact Us

Základné údaje

Menovitý výkon 600-1500
Menovité napätie 36-60
Priemer kolesa 20-26
Rozsah rýchlosti 35-65
Maximálny krútiaci moment 145
Prevodový pomer 5
Hmotnosť (KG) 5.8

Parametre inštalácie

Brzda Kotúčová brzda
Kazeta snímača krútiaceho momentu Nie
Trasa kabeláže Ľavá strana nápravy
Špica diera 2-18-Ф3.2
Hodnotenie vodotesnosti IP54 (až do IP65)
Zotrvačník/ozubené koleso rýchlosť vírenia sedem rýchlostí
Certifikáty TUV/EN15194/RoHS

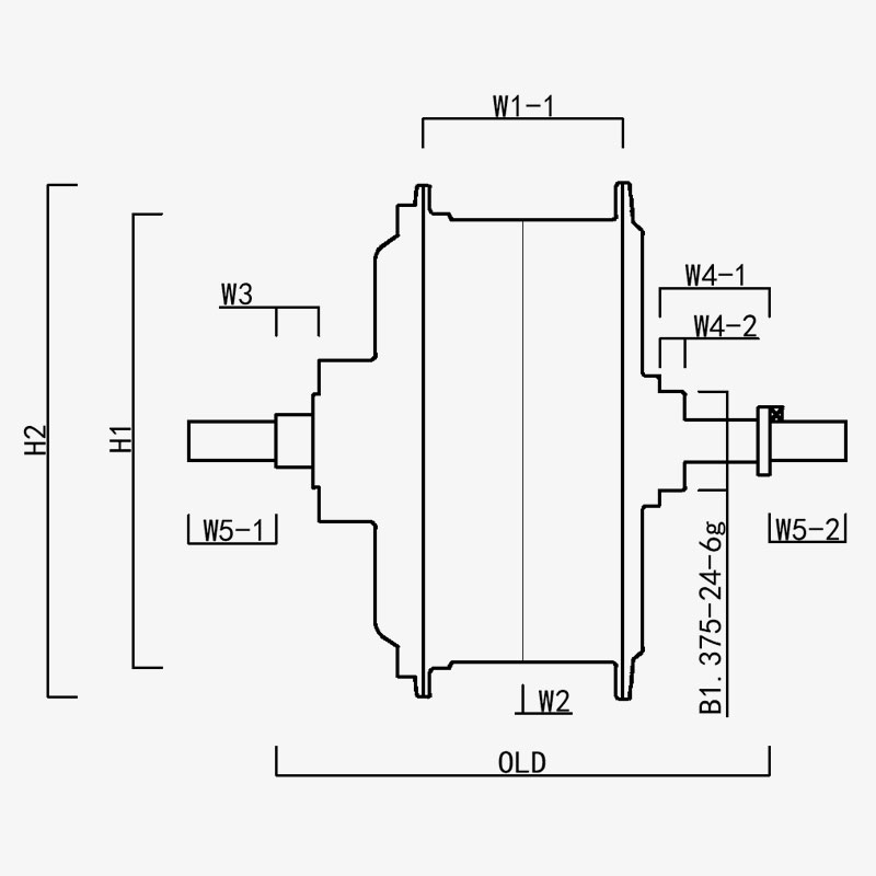
H1/ OD: 162
H2/Vonkajší priemer motora: 183
W1(-1/-2): 70.8
W2: 0
W3: 15.2
W4(-1/-2): 39/9
W5(-1/-2): 31/27
STARÝ: 175
Dĺžka nápravy: 233
Ningbo Yinzhou HENTACH Electromechanical Co., Ltd.
kontaktujte nás
  • Odoslať a odoslať
Ningbo Yinzhou HENTACH Electromechanical Co., Ltd.
ČO NÁS ODLIŠUJE
  • Výkonný motor zadného hnacieho náboja so 175 mm otvorenými prevodmi, s menovitým výkonom až 1500 W.

  • Vynájdené patentované plastové prevody: 5-násobný krútiaci moment ako nylonové prevody; životnosť viac ako 40 000 km; nižší popredaj

  • Stall krútiaci moment až 145NM alebo viac, určené pre efat/Cargo.

KTO SME Viac ako 20 rokov výrobných skúseností.

Ningbo Yinzhou HENTACH Electromechanical Co., Ltd. (predtým Hengtai Motor) Spoločnosť bola založená v roku 1995 a predtým známa ako „Hengtai Motor“ (čínsky názov našej spoločnosti), v roku 2020 sme oficiálne prijali anglický názov „HENTACH Motor“. Obidve názvy predstavujú toho istého dôveryhodného výrobcu, ktorý sa už viac ako 30 rokov venuje elektromechanickým inováciám. Špecializujeme sa na odlievanie a presné spracovanie miniatúrnych jednosmerných motorov, elektrických/motocyklových nábojových motorov a zliatin hliníka a horčíka pre elektrické vozidlá, kombinujeme prísny systém kontroly kvality ISO 9001, vyspelé postupy riadenia a špičkové výrobné/testovacie zariadenia, aby sme mohli poskytovať spoľahlivé riešenia.

Vďaka komplexným možnostiam od odlievania surovín až po dodanie finálneho produktu slúžime rôznym trhom vrátane elektrobicyklov, nákladných vozidiel, AGV, golfových vozidiel, poľnohospodárskych strojov a elektrokartingu. Náš kampus s rozlohou viac ako 9 000 m² (zastavaná plocha 5 000 m²) obsahuje viac ako 60 jednotiek moderného výrobného zariadenia vrátane 500-tonových tlakových liatin, presných CNC obrábacích strojov, laserových značkovacích systémov, mikrooblúkových oxidačných liniek a dvoch špecializovaných testovacích stolíc pre motory elektrických vozidiel. Táto infraštruktúra zabezpečuje efektívnu výrobu a prísne dodržiavanie medzinárodných noriem kvality.

V HENTACH (Hengtai) uprednostňujeme vysokokvalitné materiály a patentovanú technológiu – náš patentovaný prevod z nylonovej ocele je dôkazom našej inžinierskej dokonalosti. Na overenie životnosti sme raz spustili program záruky na najazdené kilometre pre motory presahujúce 30 000 míľ. Výsledok? Viac ako 50 motorov nielen splnilo tento štandard, ale ho aj prekonalo, pričom niektoré dosiahli pôsobivých 50 000 míľ. Tento skutočný výkon odráža naše neochvejné zameranie na spoľahlivosť a motivuje nás k neustálym inováciám pre inteligentnejšie a silnejšie riešenia motorov.​
Dôverujte značke, ktorá je celosvetovo známa ako Hengtai Motor a HENTACH Motor – kde sa patentovaná inovácia oceľových prevodov stretáva s overenou odolnosťou.

Certifikovaný Certifikácie