E-cesta / E-mesto

Motor pre zadný náboj HT MINI voľnobežky

Motor HT MINI Thread on Freewheel náboja je navrhnutý pre e-city a cestné bicykle, vďaka čomu je jedným z najmenších motorov s nábojom s vonkajším rotorom na trhu. Je kompatibilný s 36V až 48V batériovými systémami, váži iba 1,95 kg a ponúka menovitý výkon 220 W s krútiacim momentom viac ako 30 Nm. Motor môže dosiahnuť výkon až 250 W s krútiacim momentom 40 Nm. Jeho konštrukcia vonkajšieho rotora znižuje kumulatívne chyby, zvyšuje pevnosť, stabilitu a odolnosť.

Kľúčový parameter
Konštrukcia motora: Menovité napätie (V): Menovitý výkon (W):
Motor náboja Outrunner 36-48 180-250
Špičkový krútiaci moment (N.m.): Hmotnosť (KG): STARÝ (mm):
40 1,95 (220 w) 135
podrobné informácie
  • Motor pre zadný náboj HT MINI voľnobežky
  • Motor pre zadný náboj HT MINI voľnobežky
Ningbo Yinzhou HENTACH Electromechanical Co., Ltd. Product Parameters Ningbo Yinzhou HENTACH Electromechanical Co., Ltd. Drawing Ningbo Yinzhou HENTACH Electromechanical Co., Ltd. Contact Us

Základné údaje

Menovitý výkon 180-250
Menovité napätie 36-48
Priemer kolesa 20-28
Rozsah rýchlosti 25-38
Maximálny krútiaci moment 40
Prevodový pomer 5
Hmotnosť (KG) 1,95 (220 w)

Parametre inštalácie

Brzda Kotúčová brzda
Kazeta snímača krútiaceho momentu Nie
Trasa kabeláže Stredná náprava vpravo
Špica diera 2-18-Ф3.2
Hodnotenie vodotesnosti IP54 (až do IP65)
Zotrvačník/ozubené koleso Rotačná 7-rýchlostná
Certifikáty TUV/EN15194/RoHS

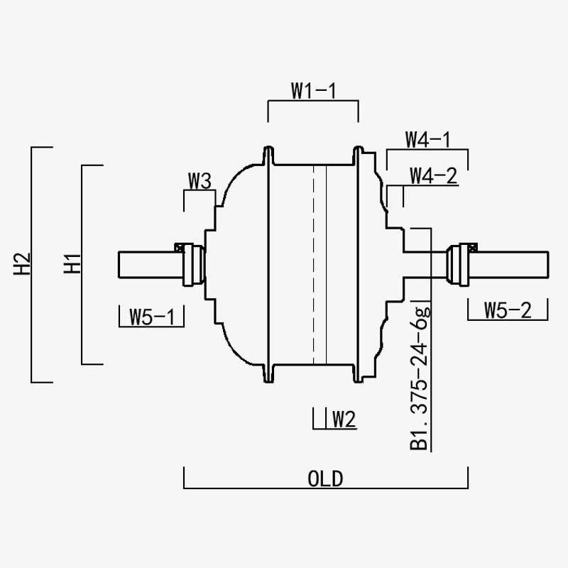
H1/ OD: 95.5
H2/Vonkajší priemer motora: 112.5
W1(-1/-2): 43
W2: 6
W3: 15
W4(-1/-2): 39/9
W5(-1/-2): 31/39
STARÝ: 135
Dĺžka nápravy: 205
Ningbo Yinzhou HENTACH Electromechanical Co., Ltd.
kontaktujte nás
  • Odoslať a odoslať
Ningbo Yinzhou HENTACH Electromechanical Co., Ltd.
ČO NÁS ODLIŠUJE
  • Motor má vonkajší priemer 95 mm, so 7-rýchlostným rotačným zotrvačníkom s hmotnosťou iba 1,95 kg, ultraľahkým motorom s vonkajším rotorom, menovitým výkonom 250 W a krútiacim momentom až 40 NM. Partner pre e-bike.

  • Patentovaný prevod z plastovej ocele: 5-krát väčší krútiaci moment ako nylonové prevody; životnosť viac ako 40 000 kilometrov; nižší popredaj

  • Motor vonkajšieho rotora: stabilnejšia štruktúra ako vnútorný rotor, nižšia poruchovosť

KTO SME Viac ako 20 rokov výrobných skúseností.

Ningbo Yinzhou HENTACH Electromechanical Co., Ltd. (predtým Hengtai Motor) Spoločnosť bola založená v roku 1995 a predtým známa ako „Hengtai Motor“ (čínsky názov našej spoločnosti), v roku 2020 sme oficiálne prijali anglický názov „HENTACH Motor“. Obidve názvy predstavujú toho istého dôveryhodného výrobcu, ktorý sa už viac ako 30 rokov venuje elektromechanickým inováciám. Špecializujeme sa na odlievanie a presné spracovanie miniatúrnych jednosmerných motorov, elektrických/motocyklových nábojových motorov a zliatin hliníka a horčíka pre elektrické vozidlá, kombinujeme prísny systém kontroly kvality ISO 9001, vyspelé postupy riadenia a špičkové výrobné/testovacie zariadenia, aby sme mohli poskytovať spoľahlivé riešenia.

Vďaka komplexným možnostiam od odlievania surovín až po dodanie finálneho produktu slúžime rôznym trhom vrátane elektrobicyklov, nákladných vozidiel, AGV, golfových vozidiel, poľnohospodárskych strojov a elektrokartingu. Náš kampus s rozlohou viac ako 9 000 m² (zastavaná plocha 5 000 m²) obsahuje viac ako 60 jednotiek moderného výrobného zariadenia vrátane 500-tonových tlakových liatin, presných CNC obrábacích strojov, laserových značkovacích systémov, mikrooblúkových oxidačných liniek a dvoch špecializovaných testovacích stolíc pre motory elektrických vozidiel. Táto infraštruktúra zabezpečuje efektívnu výrobu a prísne dodržiavanie medzinárodných noriem kvality.

V HENTACH (Hengtai) uprednostňujeme vysokokvalitné materiály a patentovanú technológiu – náš patentovaný prevod z nylonovej ocele je dôkazom našej inžinierskej dokonalosti. Na overenie životnosti sme raz spustili program záruky na najazdené kilometre pre motory presahujúce 30 000 míľ. Výsledok? Viac ako 50 motorov nielen splnilo tento štandard, ale ho aj prekonalo, pričom niektoré dosiahli pôsobivých 50 000 míľ. Tento skutočný výkon odráža naše neochvejné zameranie na spoľahlivosť a motivuje nás k neustálym inováciám pre inteligentnejšie a silnejšie riešenia motorov.​
Dôverujte značke, ktorá je celosvetovo známa ako Hengtai Motor a HENTACH Motor – kde sa patentovaná inovácia oceľových prevodov stretáva s overenou odolnosťou.

Certifikovaný Certifikácie