eMTB / E-cargo $ $

Motor zadného náboja RF500 typu E

Motor zadného náboja E-Type RF500 je určený pre E-Cargo a E-MTB bicykle, kompatibilný s 36V/48V systémami. Ponúka menovitý výkon 500 – 750 W a krútiaci moment cez 75 Nm, s ľahkosťou zvláda zložité terény a ťažké bremená. Motor podporuje 20-28 palcové kolesá, váži iba 4,2 kg a má 100 mm spád s prevodovým pomerom 5,4. Táto konštrukcia optimalizuje výstup krútiaceho momentu, zaisťuje plynulé zrýchlenie pri nízkych rýchlostiach a vyššiu efektivitu.

Kľúčový parameter
Konštrukcia motora: Menovité napätie (V): Menovitý výkon (W):
Motor náboja zadného pohonu 36-48 250-500
Špičkový krútiaci moment (N.m.): Hmotnosť (KG): STARÝ (mm):
75 4.2 135
podrobné informácie
  • Motor zadného náboja RF500 typu E
  • Motor zadného náboja RF500 typu E
Ningbo Yinzhou HENTACH Electromechanical Co., Ltd. Product Parameters Ningbo Yinzhou HENTACH Electromechanical Co., Ltd. Drawing Ningbo Yinzhou HENTACH Electromechanical Co., Ltd. Contact Us

Základné údaje

Menovitý výkon 250-500
Menovité napätie 36-48
Priemer kolesa 20-28
Rozsah rýchlosti 25-38
Maximálny krútiaci moment 75
Prevodový pomer 5.4
Hmotnosť (KG) 4.2

Parametre inštalácie

Brzda Kotúčová brzda
Kazeta snímača krútiaceho momentu Nie
Trasa kabeláže Stredná náprava vpravo
Špica diera 2-18-Ф3.2
Hodnotenie vodotesnosti IP54 (až do IP65)
Zotrvačník/ozubené koleso Rotačná muška 7-rýchlostná/Kafei (OLD142)
Certifikáty TUV/EN15194/RoHS

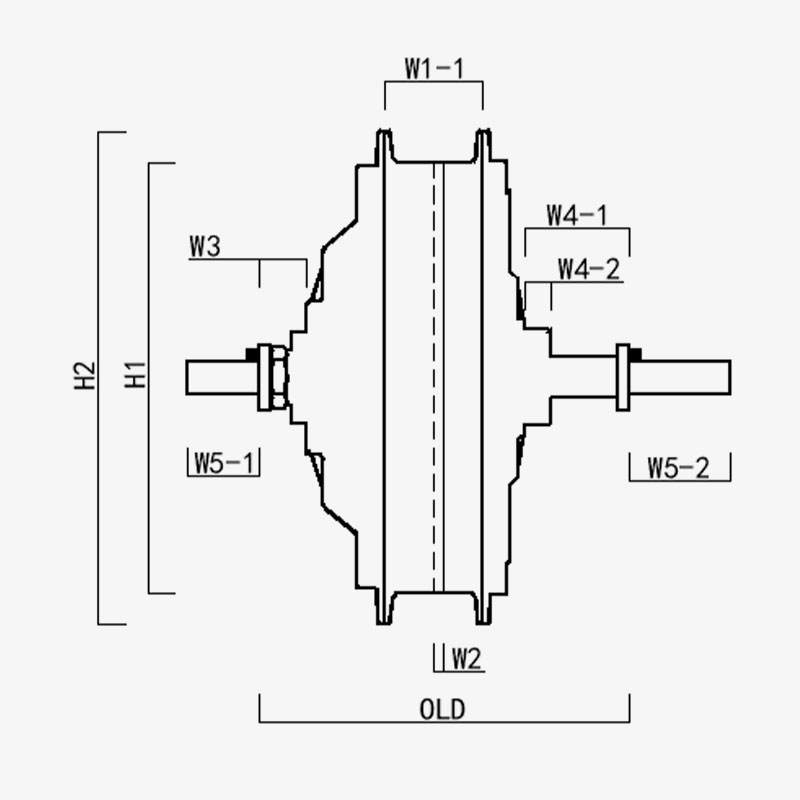
H1/ OD: 157
H2/Vonkajší priemer motora: 180
W1(-1/-2): 36
W2: 3.75
W3: 15.2
W4(-1/-2): 38/9.5
W5(-1/-2): 26/37
STARÝ: 135
Dĺžka nápravy: 198
Ningbo Yinzhou HENTACH Electromechanical Co., Ltd.
kontaktujte nás
  • Odoslať a odoslať
Ningbo Yinzhou HENTACH Electromechanical Co., Ltd.
ČO NÁS ODLIŠUJE
  • Výkonný motor náboja zadného pohonu, 135 mm otvor pre prevod, menovitý výkon až 500 W

  • Patentovaný prevod z plastovej ocele: 5-krát väčší krútiaci moment ako nylonový prevod; životnosť viac ako 40 000 km; nižší popredaj

  • Krútiaci moment až 75NM, špeciálne navrhnutý pre eMTB/Cargo.

KTO SME Viac ako 20 rokov výrobných skúseností.

Ningbo Yinzhou HENTACH Electromechanical Co., Ltd. (predtým Hengtai Motor) Spoločnosť bola založená v roku 1995 a predtým známa ako „Hengtai Motor“ (čínsky názov našej spoločnosti), v roku 2020 sme oficiálne prijali anglický názov „HENTACH Motor“. Obidve názvy predstavujú toho istého dôveryhodného výrobcu, ktorý sa už viac ako 30 rokov venuje elektromechanickým inováciám. Špecializujeme sa na odlievanie a presné spracovanie miniatúrnych jednosmerných motorov, elektrických/motocyklových nábojových motorov a zliatin hliníka a horčíka pre elektrické vozidlá, kombinujeme prísny systém kontroly kvality ISO 9001, vyspelé postupy riadenia a špičkové výrobné/testovacie zariadenia, aby sme mohli poskytovať spoľahlivé riešenia.

Vďaka komplexným možnostiam od odlievania surovín až po dodanie finálneho produktu slúžime rôznym trhom vrátane elektrobicyklov, nákladných vozidiel, AGV, golfových vozidiel, poľnohospodárskych strojov a elektrokartingu. Náš kampus s rozlohou viac ako 9 000 m² (zastavaná plocha 5 000 m²) obsahuje viac ako 60 jednotiek moderného výrobného zariadenia vrátane 500-tonových tlakových liatin, presných CNC obrábacích strojov, laserových značkovacích systémov, mikrooblúkových oxidačných liniek a dvoch špecializovaných testovacích stolíc pre motory elektrických vozidiel. Táto infraštruktúra zabezpečuje efektívnu výrobu a prísne dodržiavanie medzinárodných noriem kvality.

V HENTACH (Hengtai) uprednostňujeme vysokokvalitné materiály a patentovanú technológiu – náš patentovaný prevod z nylonovej ocele je dôkazom našej inžinierskej dokonalosti. Na overenie životnosti sme raz spustili program záruky na najazdené kilometre pre motory presahujúce 30 000 míľ. Výsledok? Viac ako 50 motorov nielen splnilo tento štandard, ale ho aj prekonalo, pričom niektoré dosiahli pôsobivých 50 000 míľ. Tento skutočný výkon odráža naše neochvejné zameranie na spoľahlivosť a motivuje nás k neustálym inováciám pre inteligentnejšie a silnejšie riešenia motorov.​
Dôverujte značke, ktorá je celosvetovo známa ako Hengtai Motor a HENTACH Motor – kde sa patentovaná inovácia oceľových prevodov stretáva s overenou odolnosťou.

Certifikovaný Certifikácie